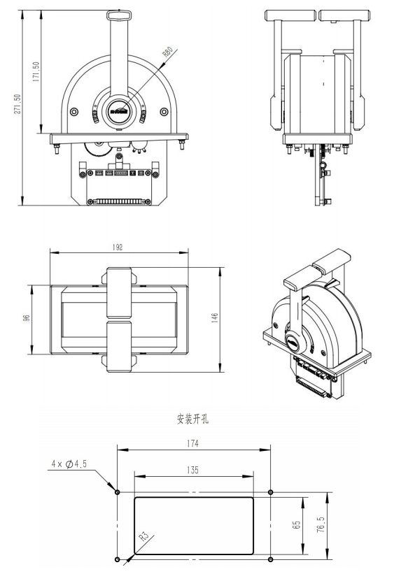
WLF-180
主推进控制手柄
WLF-180主推控制手柄适用于大中型船舶推进系统的单、双主机操控。
铝合金壳体,每档刻度可根据握柄位置单独亮灯指示,操纵阻尼、转动范围可微调,满足IEC60945规范中电磁兼容、振动等要求,支持电动轴同步、档位刻度等功能定制,具有时尚大气的优点。
联系我们 13186888051
产品特点
PRODUCT FEATURE




产品参数
PRODUCT PARAMETER
-
电源电压18~26VDC
-
主体材质铝合金黑色喷塑
-
主轴材质不锈钢
-
手柄材质POM
-
电位器5K±10%,0.3%线性度
-
传动方式齿轮传动
-
手柄转动范围±60°
-
防护等级IP56
-
接线方式16位接线端子
-
外观&功能定制
CUSTOMIZATION
-
握柄款式不锈钢镀铬黑色喷塑
-
握柄数量双推-180D左推-180L右推-180R
-
薄膜刻度中文百分比英文
-
转动范围±60°0~60°
-
档位反馈每档带反馈仅空档
-
输出信号5K电位器4~20mA正倒车无源开关
-
背光调节0~24V调光器
-
电动轴同步否是
-
驾驶方式艏驾驶艉驾驶